Ампервольтметр Ц-51 — комбинированный универсальный прибор, позволяющий измерять постоянный ток и напряжение и сопротивление постоянному току.
Прибор применяется в лабораторных условиях и в радиолюбительской практике.
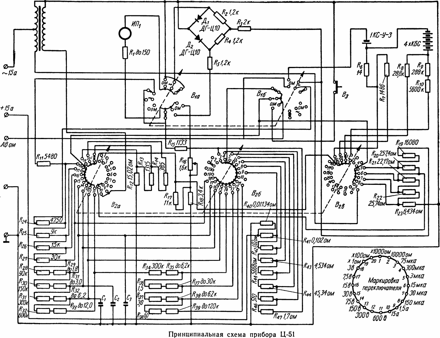
Ампервольтметр Ц-51
Основные технические характеристики
1. Пределы измеряемых величин постоянного и переменного напряжения: 3; 7; 15; 30; 75; 150; 300 и 600 в. Отсчет напряжения на пределе 3 в составляет 0,05 в. Измерение напряжения с дополнительными калибровочными сопротивлениями на постоянном токе до 7500 в, на переменном до 6000 в.
2. Пределы измерения постоянного тока: 75 и 300 мкА; 3; 15; 30 и 150 мА; 1,5 и 15 А. Отсчет по шкале 75 мкА составляет 0,1 мкА.
3. Пределы измерения переменного тока: 3; 15; 30 и 150 мА; 1,5 и 15 А. Отсчет по шкале 3 мА составляет 0,5 мА. Измеряемые сопротивления постоянному току составляют 3 и 300 кОм; 3 и 30 мОм.
4. Диапазон частот от 30 Гц до 10 кГц.
5. Погрешности прибора не превышают при измерениях на постоянном токе 4 ±1,0% номинального значения шкалы на всех пределах измерений; при измерениях на переменном токе не превышает ±2,5% на пределах шкалы 30; 600 в, 1,5 и 15 А, на всех других пределах не более ±1,5%.
6. Внутреннее сопротивление вольтметра на постоянном токе 20 000 Ом/в, на переменном токе 2000 Ом/в.
7. При измерении сопротивлений до 1 Мом источником питания служит сухой элемент 1 КС-У-3 1,5 в. Для измерения сопротивлений, больших 1 Мом, источником питания служат четыре сухих элемента типа КБС-Х-0,55 или КБС-Л-0,5.
8. Габариты: 185 х 265 х 135 мм.
9. Вес прибора 4 кг.
Схема принципиальная электрическая ампервольтметра Ц-51
Описание и принцип работы
Прибор Ц-51 собран по схеме, позволяющей измерять постоянный ток и напряжение, переменный ток, напряжение и сопротивление постоянному току.
В качестве выпрямителя используется мостик из двух германиевых диодов ДГЦ-10 и двух сопротивлений R4 и R5 по 1,2 ком. Для измерения тока прибор включается в цепь через клеммы «—» и «AVΩ».
Для компенсации найряжения источника питания в схему омметра включено переменное сопротивление R16, ручка которого выведена на переднюю панель и обозначает Установка нуля Ω. Нуль устанавливается при замкнутых контактах кнопки.
Индикатором прибора служит микроамперметр на 42 мка.
Рабочее положение прибора — горизонтальное.
Наклон прибора более чем на 10° значительно увеличивает погрешность измерения.
***

