Ампервольтметр Ц-52 — универсальный прибор, позволяющий измерять постоянный и переменный ток и напряжение, сопротивление постоянному току, емкости и уровни передачи (отношение двух напряжений в децибелах).
Прибор применяется в лабораторных условиях и в радиолюбительской практике.
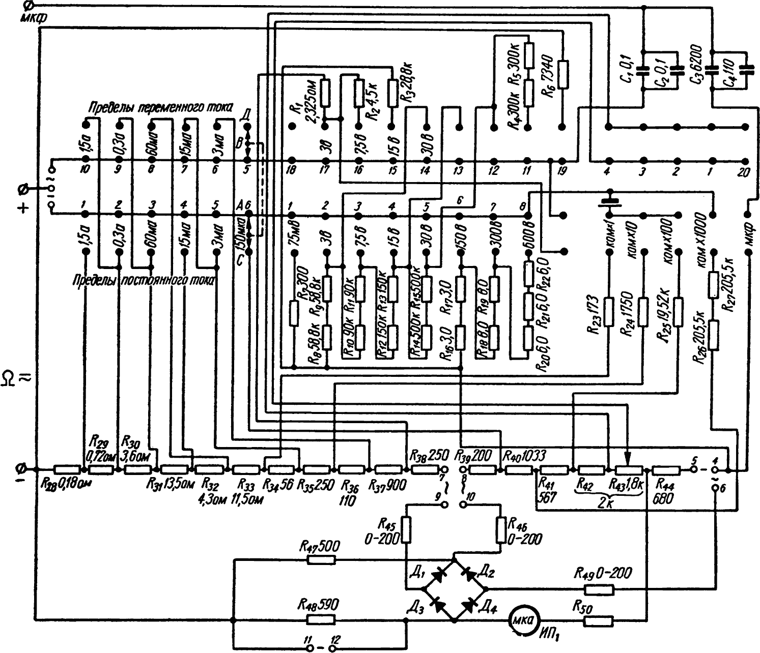
Ампервольтметр Ц-52
Основные технические характеристики:
1. Пределы измеряемых величин постоянного напряжения: 75 мв; 3; 7,5; 15; 30; 150; 300 и 600 в с дополнительным делителем напряжения Р-516 до 7,5 кв. Отсчет по шкале 75 мв составляет 2,5 мв.
2. Пределы измерения переменного напряжения: 3; 7,5; 15; 30; 150; 300 и 600 в с дополнительным сопротивлением типа Р-515 до 6 кв. Отсчет по шкале 3 в составляет 0,3 в.
3. Пределы измерения постоянного тока: 150 мка; 3; 15 и 60 ма; 0,3 и 1,5 а. Отсчет по шкале 150 мка составляет 5 мка. С дополнительным шунтом Р-514 прибор измеряет ток до 30 а.
4. Пределы измерения переменного тока: 3; 15 и 60 ма; 0,3 и 1,5 а. Отсчет по шкале 3 ма составляет 0,3 ма. С дополнительным трансформатором тока типа И-501 прибор позволяет измерять ток до 30 а.
5. Пределы измерения сопротивления постоянному току от 5 ом до 10 Мом
6. Пределы измерения емкостей от 5000 пф до 10 мкф.
7. Пределы измерения уровня передачи от — 10 до 12 дб.
8. Прибор работает в диапазоне частот от 45 до 1000 гц.
9. Основная погрешность прибора не превышает ±1,5% при измерении на постоянном токе и ±2,5% на переменном токе номинального значения шкалы.
10. Внутреннее сопротивление вольтметра 20 000 ом/в по постоянному току и 2000 ом/в по переменному току. На шкалах 3 и 7,5 в внутреннее сопротивление прибора равно 1000 ом/в.
11. Источником питания для измерения сопротивления до 1 Мом служит один элемент ФБС-0,25 (1,5 в), для больших сопротивлений применяется внешний источник постоянного тока с напряжением 15,5—19,5 в. Для измерения емкостей применяется внешний источник переменного тока напряжением 190—240 в с частотой 50 гц.
12. Габариты: 110x205x80 мм.
13. Вес прибора 1,3 кг.
Принципиальная схема прибора Ц-52
Описание схемы
Схема прибора аналогична схеме Ц-51. При измерениях на переменном токе в качестве выпрямительного устройства применены полупроводниковые выпрямители типа ДГЦ-10, собранные по мостиковой схеме.
В схеме измерения емкостей образцовые конденсаторы С1—С4 подобраны так, что при подведении к клеммам напряжения 220 в и частотой 50 гц, стрелка прибора отклонится на всю шкалу. Измеряемая емкость шунтирует прибор, уменьшая проходящий через него ток. Индикатором прибора служит микроамперметр на 45 мка.
***

